Ilhó e arruela

Ilhó e arruela

Você pode encontrar um ilhó e uma arruela em muitos itens do dia a dia. São pequenas peças metálicas. O ilhó é como um pequeno anel e a arruela é um disco plano. Eles são pressionados juntos para criar um furo forte e liso em materiais como tecido ou plástico. Isso evita que o material rasgue. Na China, a Nuote Metals fabrica essas peças pequenas, mas úteis. produzimos diversos tipos de ilhós e arruelas para diversos trabalhos.

Enviar consulta

Descrição do produto

Introdução de ilhó e arruela

O que torna um ilhó e uma arruela tão úteis é como eles são simples. Você coloca o ilhó em um buraco no material. Então, você coloca a arruela na parte de trás. Uma máquina os pressiona, comprimindo as peças. Isso trava o material firmemente no meio. O resultado é um furo limpo e forte que não se desgasta facilmente. Devido a este design simples, o ilhó e a arruela são uma solução muito confiável.


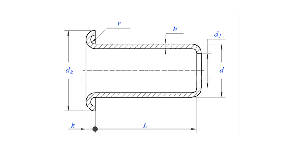
desenho de ilhó e arruela conforme abaixo:

Mostra de aplicação de ilhó e arruela:

Parâmetro de ilhó e arruela (especificação)

Material Latão
Tratamento de superfície Limpo, zincado, niquelado, prateado, conforme solicitado
Tipo de cabeça Rebites sólidos de cabeça redonda
Certificado Compatível com Rohs
Diâmetro da haste 0,8-8mm
Tolerância +/-0,05 mm
Aplicativo Adequado para uso em vários setores, incluindo automotivo, aeroespacial, elétrico e eletrônico, etc.
Controle de qualidade A inspeção 100% de toda a linha durante a produção garante que cada produto atenda ao padrão ISO, garantindo produtos de alta qualidade.




Recurso e aplicação de ilhó e arruela

Um bom exemplo de onde você vê um ilhó e uma arruela está em uma lata de óleo. Muitas latas de óleo possuem um pequeno bico de metal para despejar. Este bico é muito usado e pode rasgar facilmente. Mas se você olhar de perto, verá frequentemente um pequeno anel de metal reforçando a abertura. Esse é o ilhó e a arruela em ação. Torna o bico forte e evita vazamentos, fazendo com que o óleo dure muito tempo. É um uso perfeito para este simples par de peças.


ilhó e arruela Detalhes de produção

Informações de embalagem

PERGUNTAS FREQUENTES:

Q1: Qual é o seu MOQ para ilhó e arruela?

MOQ para rebites é de 20.000 unidades.


Q2: Você pode fazer sob medida com nosso desenho?

Sim, a maioria dos nossos rebites tubulares são feitos sob medida com desenho do cliente.


Q3: Você poderia fornecer amostras grátis de rebites ocos?

Podemos fornecer amostras grátis para o tamanho que temos em estoque, mas os clientes pagarão as taxas expressas.


Q4: Qual é o seu prazo de entrega?

Tamanho dos rebites em estoque: 3-5 dias, rebites não padrão: 15-25 dias. Faremos a entrega o mais rápido possível com a garantia de qualidade.


Q5: A qualidade dos seus produtos?

A empresa possui equipamentos avançados de produção e teste. Todos os produtos serão 100% inspecionados por nosso departamento de controle de qualidade antes do envio.


Q6: Por que escolhemos a tecnologia Nuote?

1. Nós respeitamos os termos do cliente para proteger os projetos de privacidade do cliente.

2.Alta qualidade com preço atraente

3. Prazo de entrega rápido

4. Bom negócio e honestidade para com o cliente e parceiro

5. O anúncio de vendas profissional responde sua pergunta em 8 horas.

6. Os produtos e serviços da Nuote são vendidos para mais de 70 países com boa reputação


Hot Tags: Ilhó e arruela, China Ilhó e arruela, Fabricante de ilhó e arruela
Categoria Relacionada
Enviar consulta
Por favor, sinta-se livre para dar o seu inquérito no formulário abaixo. Responderemos em 24 horas.
X
Utilizamos cookies para lhe oferecer uma melhor experiência de navegação, analisar o tráfego do site e personalizar o conteúdo. Ao utilizar este site, você concorda com o uso de cookies. política de Privacidade