Ilhós metálicos

Ilhós metálicos

Você provavelmente já viu ilhós de metal muitas vezes sem nem perceber. São aqueles pequenos anéis de metal que reforçam furos em todos os tipos de produtos. Um ilhó de metal pode parecer simples, mas foi projetado para resolver um problema comum: evitar que os furos rasguem ou se desgastem. Seja nos sapatos ou na mochila, esse pequeno componente trabalha muito para fazer as coisas durarem mais.

Enviar consulta

Descrição do produto

Introdução do ilhó de metal

Colocar um ilhó de metal é bastante simples. Você coloca a parte principal através do material e depois pressiona a arruela na parte de trás. Ferramentas especiais podem fazer isso rapidamente, mas mesmo ferramentas simples funcionam bem. O que é ótimo em um ilhó de metal é como ele protege o material ao redor do furo contra desgaste, mantendo tudo limpo e forte.


Mostra de aplicação de ilhós de metal:

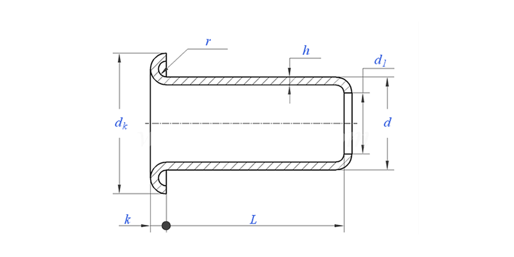
desenho de ilhó de metal como abaixo:


Parâmetro de ilhós de metal (especificação)



Material Latão, aço, alumínio, aço inoxidável, cobre
Tratamento de superfície Limpo, zincado, niquelado, prateado, conforme solicitado
Certificado Compatível com Rohs
Diâmetro da haste 0,8-10 mm
Tolerância +/-0,05 mm
Aplicativo Adequado para uso em vários setores, incluindo automotivo, aeroespacial, elétrico e eletrônico, etc.
Controle de qualidade A inspeção 100% de toda a linha durante a produção garante que cada produto atenda ao padrão ISO, garantindo produtos de alta qualidade.



Recurso e aplicação de ilhós de metal

Você ficaria surpreso com quantos lugares você pode encontrar ilhós de metal trabalhando duro. Eles são a razão pela qual os buracos no cadarço do sapato não rasgam após o uso repetido. Em equipamentos para atividades ao ar livre, como barracas e velas, os ilhós de metal suportam condições climáticas adversas sem falhar. Também são essenciais em ambientes industriais, ajudando a organizar cabos e fios. Onde quer que haja um buraco que precise de proteção, você provavelmente encontrará um ilhó de metal fazendo seu trabalho.


Detalhes de produção de ilhós de metal

Informações de embalagem

PERGUNTAS FREQUENTES:

Q1: Qual é o seu MOQ para ilhó de metal?

MOQ para rebites é de 20.000 unidades.


Q2: Você pode fazer sob medida com nosso desenho?

Sim, a maioria dos nossos rebites tubulares são feitos sob medida com desenho do cliente.


Q3: Você poderia fornecer amostras grátis de rebites ocos?

Podemos fornecer amostras grátis para o tamanho que temos em estoque, mas os clientes pagarão as taxas expressas.


Q4: Qual é o seu prazo de entrega?

Tamanho dos rebites em estoque: 3-5 dias, rebites não padrão: 15-25 dias. Faremos a entrega o mais rápido possível com a garantia de qualidade.


Q5: A qualidade dos seus produtos?

A empresa possui equipamentos avançados de produção e teste. Todos os produtos serão 100% inspecionados por nosso departamento de controle de qualidade antes do envio.


Q6: Por que escolhemos a tecnologia Nuote?

1. Nós respeitamos os termos do cliente para proteger os projetos de privacidade do cliente.

2.Alta qualidade com preço atraente

3. Prazo de entrega rápido

4. Bom negócio e honestidade para com o cliente e parceiro

5. O anúncio de vendas profissional responde sua pergunta em 8 horas.

6. Os produtos e serviços da Nuote são vendidos para mais de 70 países com boa reputação


Hot Tags: Ilhós de metal, ilhós de metal na China, fábrica de ilhós de metal
Categoria Relacionada
Enviar consulta
Por favor, sinta-se livre para dar o seu inquérito no formulário abaixo. Responderemos em 24 horas.
X
Utilizamos cookies para lhe oferecer uma melhor experiência de navegação, analisar o tráfego do site e personalizar o conteúdo. Ao utilizar este site, você concorda com o uso de cookies. política de Privacidade