Ilhó metálico

Ilhó metálico

Somos Nuote Metals de Dongguan, China. Nossa fábrica fabrica muitos tipos de ilhós de metal para diferentes usos. Fabricamos produtos com ilhós de metal há mais de dez anos. Usamos metais diferentes para fazer esses itens de ilhós de metal. Latão, aço e alumínio são materiais comuns. Fabricamos ilhós metálicos em todos os tamanhos. Pequenos para sapatos, grandes para lonas. Cada anel isolante de metal é verificado por nossos trabalhadores antes de embalar. Eles testam cada peça para ter certeza de que funciona bem. Muitos clientes compram nossos produtos de ilhós de metal regularmente. Eles gostam de nosso fornecimento confiável e de boa qualidade.

Enviar consulta

Descrição do produto

Introdução

Um ilhó de metal é um anel que torna os furos mais fortes. É colocado em materiais como tecido ou couro. Quando você puxa algo pelo anel de metal, o buraco não rasga. O ilhó de metal protege o material. Também faz com que o produto pareça elegante. A maioria das peças de ilhós de metal tem formato redondo. Eles são fáceis de instalar com uma prensa. A máquina coloca o anel isolante de metal no material rapidamente. Então o ilhó de metal permanece firmemente no lugar para uso prolongado.


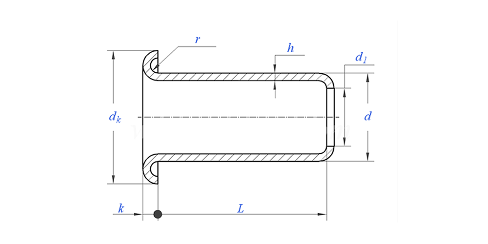
Desenho de ilhó de metal conforme abaixo:

Parâmetro de ilhó de metal (especificação)



Material Latão, aço, alumínio, aço inoxidável, cobre
Tratamento de superfície Limpo, zincado, niquelado, prateado, conforme solicitado
Certificado Compatível com Rohs
Diâmetro da haste 0,8-10 mm
Tolerância +/-0,05 mm
Aplicativo Adequado para uso em vários setores, incluindo automotivo, aeroespacial, elétrico e eletrônico, etc.
Controle de qualidade A inspeção 100% de toda a linha durante a produção garante que cada produto atenda ao padrão ISO, garantindo produtos de alta qualidade.


Recurso e aplicação de ilhós de metal

O ilhó de metal tem muitas aplicações. Os sapatos usam ilhós de metal para furos de renda. As bolsas usam ilhós de metal para alças e alças. Tendas e lonas precisam de ilhós de metal para cordas. Roupas como moletons às vezes têm ilhós de metal para os cordões. As capas de móveis usam ilhós de metal para amarrar. Os produtos industriais também precisam de ilhós metálicos para diversas funções. Este pequeno anel isolante de metal ajuda muitos produtos a funcionar melhor e a durar mais. É por isso que tantas fábricas gostariam de escolher nossos produtos de ilhós metálicos. Eles confiam em nossa experiência e controle de qualidade.


Detalhes de produção de roupas de metal

Informações de embalagem

PERGUNTAS FREQUENTES:

Q1: Qual é o seu MOQ para ilhó de metal?

MOQ para rebites é de 20.000 unidades.


Q2: Você pode fazer sob medida com nosso desenho?

Sim, a maioria dos nossos rebites tubulares são feitos sob medida com desenho do cliente.


Q3: Você poderia fornecer amostras grátis de rebites ocos?

Podemos fornecer amostras grátis para o tamanho que temos em estoque, mas os clientes pagarão as taxas expressas.


Q4: Qual é o seu prazo de entrega?

Tamanho dos rebites em estoque: 3-5 dias, rebites não padrão: 15-25 dias. Faremos a entrega o mais rápido possível com a garantia de qualidade.


Q5: A qualidade dos seus produtos?

A empresa possui equipamentos avançados de produção e teste. Todos os produtos serão 100% inspecionados por nosso departamento de controle de qualidade antes do envio.


Q6: Por que escolhemos a tecnologia Nuote?

1. Nós respeitamos os termos do cliente para proteger os projetos de privacidade do cliente.

2.Alta qualidade com preço atraente

3. Prazo de entrega rápido

4. Bom negócio e honestidade para com o cliente e parceiro

5. O anúncio de vendas profissional responde sua pergunta em 8 horas.

6. Os produtos e serviços da Nuote são vendidos para mais de 70 países com boa reputação


Hot Tags: Ilhó de metal China, fabricante de ilhó de metal, fornecedor de ilhó de metal
Categoria Relacionada
Enviar consulta
Por favor, sinta-se livre para dar o seu inquérito no formulário abaixo. Responderemos em 24 horas.
X
Utilizamos cookies para lhe oferecer uma melhor experiência de navegação, analisar o tráfego do site e personalizar o conteúdo. Ao utilizar este site, você concorda com o uso de cookies. política de Privacidade