Ilhós PCB

Ilhós PCB

Os ilhós de PCB são pequenos anéis de metal projetados para serem instalados em uma placa de circuito. Pode parecer simples, mas desempenha um papel importante. As pessoas os usam para criar furos fortes e confiáveis ​​em uma PCB. Este pequeno componente ajuda a garantir que as conexões não sejam danificadas durante a montagem ou uso. A Nuote Metals tem prazer em ajudá-lo a saber mais sobre ilhós para PCB.

Enviar consulta

Descrição do produto

Introdução de ilhós PCB

A principal função de um ilhó de PCB é reforçar um furo. Normalmente é feito de latão e geralmente revestido com estanho ou solda. Isso facilita a soldagem de componentes. Quando pressionado na placa, um ilhó de PCB fortalece o furo, evitando rachaduras no traço de cobre. Ele atua como uma capa durável que protege o delicado material da placa de circuito.


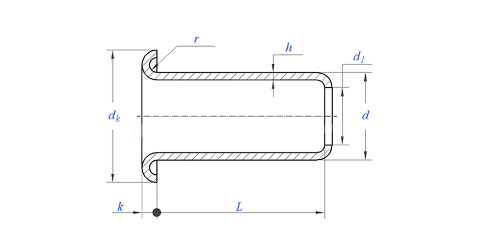
Desenho de ilhós PCB conforme abaixo:

Parâmetro de ilhós PCB (especificação)



Material Latão
Tratamento de superfície Limpo, zincado, niquelado, prateado, conforme solicitado
Certificado Compatível com Rohs
Diâmetro da haste 0,8-10 mm
Tolerância +/-0,05 mm
Aplicativo Adequado para uso em vários setores, incluindo automotivo, aeroespacial, elétrico e eletrônico, etc.
Controle de qualidade A inspeção 100% de toda a linha durante a produção garante que cada produto atenda ao padrão ISO, garantindo produtos de alta qualidade.



Mostra de aplicação de ilhós PCB:


Recurso e aplicação de ilhós PCB

Você encontrará ilhós PCB usados ​​em muitos produtos eletrônicos. Eles são perfeitos para locais que precisam de um ponto de conexão forte, como um transformador ou uma perna de componente grande. Um ilhó de PCB também é comum em pontos de teste, onde uma sonda pode se conectar repetidamente. Em interruptores ou conectores, o ilhó da PCB garante que o estresse mecânico esteja na capa de metal, e não na frágil placa em si. Eles são essenciais para fazer eletrônicos duradouros.


Detalhes de produção de ilhós PCB

Informações de embalagem

PERGUNTAS FREQUENTES:

Q1: Qual é o seu MOQ para ilhós PCB?

MOQ para rebites é de 20.000 unidades.


Q2: Você pode fazer sob medida com nosso desenho?

Sim, a maioria dos nossos rebites tubulares são feitos sob medida com desenho do cliente.


Q3: Você poderia fornecer amostras grátis de rebites ocos?

Podemos fornecer amostras grátis para o tamanho que temos em estoque, mas os clientes pagarão as taxas expressas.


Q4: Qual é o seu prazo de entrega?

Tamanho dos rebites em estoque: 3-5 dias, rebites não padrão: 15-25 dias. Faremos a entrega o mais rápido possível com a garantia de qualidade.


Q5: A qualidade dos seus produtos?

A empresa possui equipamentos avançados de produção e teste. Todos os produtos serão 100% inspecionados por nosso departamento de controle de qualidade antes do envio.


Q6: Por que escolhemos a tecnologia Nuote?

1. Nós respeitamos os termos do cliente para proteger os projetos de privacidade do cliente.

2.Alta qualidade com preço atraente

3. Prazo de entrega rápido

4. Bom negócio e honestidade para com o cliente e parceiro

5. O anúncio de vendas profissional responde sua pergunta em 8 horas.

6. Os produtos e serviços da Nuote são vendidos para mais de 70 países com boa reputação


Hot Tags: Ilhós de PCB, ilhós para PCB, ilhós de PCB da China
Categoria Relacionada
Enviar consulta
Por favor, sinta-se livre para dar o seu inquérito no formulário abaixo. Responderemos em 24 horas.
X
Utilizamos cookies para lhe oferecer uma melhor experiência de navegação, analisar o tráfego do site e personalizar o conteúdo. Ao utilizar este site, você concorda com o uso de cookies. política de Privacidade