Ilhós de sapato

Ilhós de sapato

Fazemos ilhós para sapatos em nossa fábrica em Dongguan, China. Os ilhós são pequenos anéis de metal, e você pode vê-los nos cadarços dos sapatos. eles também são chamados de ilhós. Nós os tornamos fortes para que não quebrem quando você aperta os cadarços. Nossos ilhós para calçados são feitos de diversos metais, como latão, alumínio e aço inoxidável. E podem ser confeccionados em diversas cores para combinar com todos os tipos de calçado.

Enviar consulta

Descrição do produto

A principal função dos ilhós para sapatos é proteger o sapato. Quando você puxa os cadarços, o anel de metal exerce a pressão em vez do material do calçado. Isso evita que os buracos fiquem maiores ou rasguem. Bons ilhós para sapatos também facilitam o deslizamento dos cadarços. Eles ajudam você a amarrar os sapatos rapidamente, sem que os cadarços fiquem presos.


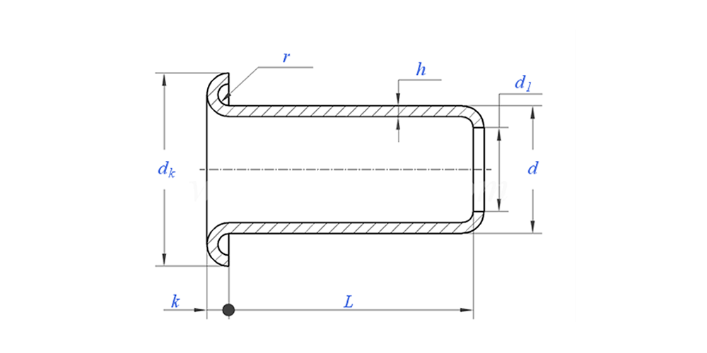
Desenho de ilhós de sapato conforme abaixo:

Parâmetro de ilhós de sapato (especificação)



Material Latão, aço, alumínio, aço inoxidável, cobre
Tratamento de superfície Limpo, zincado, niquelado, prateado, conforme solicitado
Certificado Compatível com Rohs
Diâmetro da haste 0,8-10 mm
Tolerância +/-0,05 mm
Aplicativo Adequado para uso em vários setores, incluindo automotivo, aeroespacial, elétrico e eletrônico, etc.
Controle de qualidade A inspeção 100% de toda a linha durante a produção garante que cada produto atenda ao padrão ISO, garantindo produtos de alta qualidade.



Mostra de aplicação:



Recurso e aplicação de ilhós para sapatos

Você vê ilhós em quase todos os sapatos com cadarços. Os sapatos escolares infantis precisam que eles durem durante brincadeiras difíceis. Os tênis de corrida os utilizam para ajudar os atletas a obter um ajuste seguro. Até mesmo sapatos de couro sofisticados têm ilhós, embora às vezes os façam parecer mais decorativos. Sem esses pequenos anéis de metal, nossos sapatos se desgastariam muito mais rápido e seriam mais difíceis de calçar.


detalhes de produção de ilhó de metal

Informações de embalagem

PERGUNTAS FREQUENTES:

Q1: Qual é o seu MOQ para ilhós de sapatos?

MOQ para rebites é de 20.000 unidades.


Q2: Você pode fazer sob medida com nosso desenho?

Sim, a maioria dos nossos rebites tubulares são feitos sob medida com desenho do cliente.


Q3: Você poderia fornecer amostras grátis de rebites ocos?

Podemos fornecer amostras grátis para o tamanho que temos em estoque, mas os clientes pagarão as taxas expressas.


Q4: Qual é o seu prazo de entrega?

Tamanho dos rebites em estoque: 3-5 dias, rebites não padrão: 15-25 dias. Faremos a entrega o mais rápido possível com a garantia de qualidade.


Q5: A qualidade dos seus produtos?

A empresa possui equipamentos avançados de produção e teste. Todos os produtos serão 100% inspecionados por nosso departamento de controle de qualidade antes do envio.


Q6: Por que escolhemos a tecnologia Nuote?

1. Nós respeitamos os termos do cliente para proteger os projetos de privacidade do cliente.

2.Alta qualidade com preço atraente

3. Prazo de entrega rápido

4. Bom negócio e honestidade para com o cliente e parceiro

5. O anúncio de vendas profissional responde sua pergunta em 8 horas.

6. Os produtos e serviços da Nuote são vendidos para mais de 70 países com boa reputação


Hot Tags: Ilhós para sapatos,Ilhós para sapatos na China,Fabricante de ilhós para sapatos
Categoria Relacionada
Enviar consulta
Por favor, sinta-se livre para dar o seu inquérito no formulário abaixo. Responderemos em 24 horas.
X
Utilizamos cookies para lhe oferecer uma melhor experiência de navegação, analisar o tráfego do site e personalizar o conteúdo. Ao utilizar este site, você concorda com o uso de cookies. política de Privacidade