Ilhós para lata de óleo

Ilhós para lata de óleo

Os ilhós de aço inoxidável para latas de óleo são pequenos anéis especiais usados ​​em latas de óleo. Eles são nomeados devido ao seu uso clássico em latas de óleo tradicionais. A Nuote Metals em Dongguan, China, produz ilhós confiáveis ​​para latas de óleo de aço inoxidável com tamanhos diferentes.

Enviar consulta

Descrição do produto

Introdução de ilhós Oilcan

Esses ilhós para lata de óleo são feitos de uma única peça de aço inoxidável. Isto os torna fortes e resistentes à ferrugem, o que é muito importante para um uso duradouro. O design inclui um centro oco e uma ranhura pré-formada. Essa ranhura facilita a prensagem segura dos ilhós da lata de óleo em um orifício de chapa metálica sem muito esforço. A instalação é rápida, criando uma vedação estanque e permanente.


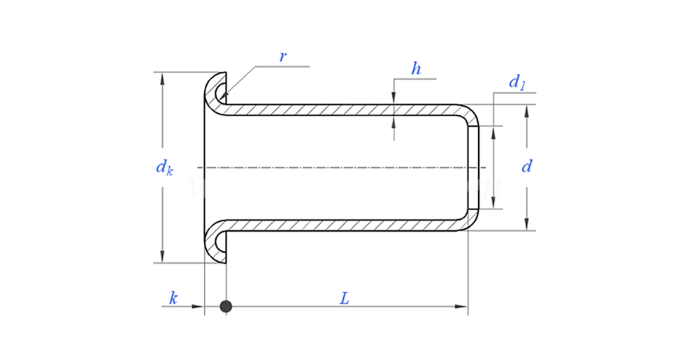
Desenho de ilhós Oilcan conforme abaixo:

Aplicação de ilhós em lata de óleo mostra:

Parâmetro de ilhós Oilcan (especificação)


Material Aço inoxidável 304
Tratamento de superfície Limpo, zincado, niquelado, prateado, conforme solicitado
Certificado Compatível com Rohs
Diâmetro da haste 0,8-10 mm
Tolerância +/-0,05 mm
Aplicativo Adequado para uso em vários setores, incluindo automotivo, aeroespacial, elétrico e eletrônico, etc.
Controle de qualidade

A inspeção 100% de toda a linha durante a produção garante que cada produto atenda ao padrão ISO, garantindo produtos de alta qualidade.


Recurso e aplicação de ilhós Oilcan

Você encontrará esses ilhós para lata de óleo onde eles são mais necessários: no bico de uma lata de óleo. Eles criam um orifício liso e reforçado por onde o óleo flui. Esta parte simples torna a lata mais fácil e limpa de usar. Também torna o bico muito mais forte, por isso não se desgasta facilmente. Sem um bom ilhó para a lata de óleo, a borda de metal pode ficar áspera e causar vazamentos. É por isso que esta pequena peça é tão importante para uma lata de óleo confiável.


Ilhós de lata de óleo Detalhes de produção

Informações de embalagem


PERGUNTAS FREQUENTES:

Q1: Qual é o seu MOQ para ilhós de lata de óleo?

MOQ para rebites é de 20.000 unidades.


Q2: Você pode fazer sob medida com nosso desenho?

Sim, a maioria dos nossos rebites tubulares são feitos sob medida com desenho do cliente.


Q3: Você poderia fornecer amostras grátis de rebites ocos?

Podemos fornecer amostras grátis para o tamanho que temos em estoque, mas os clientes pagarão as taxas expressas.


Q4: Qual é o seu prazo de entrega?

Tamanho dos rebites em estoque: 3-5 dias, rebites não padrão: 15-25 dias. Faremos a entrega o mais rápido possível com a garantia de qualidade.


Q5: A qualidade dos seus produtos?

A empresa possui equipamentos avançados de produção e teste. Todos os produtos serão 100% inspecionados por nosso departamento de controle de qualidade antes do envio.


Q6: Por que escolhemos a tecnologia Nuote?

1. Nós respeitamos os termos do cliente para proteger os projetos de privacidade do cliente.

2.Alta qualidade com preço atraente

3. Prazo de entrega rápido

4. Bom negócio e honestidade para com o cliente e parceiro

5. O anúncio de vendas profissional responde sua pergunta em 8 horas.

6. Os produtos e serviços da Nuote são vendidos para mais de 70 países com boa reputação





Hot Tags: Ilhós de lata de óleo, ilhós para lata de óleo, ilhós de aço inoxidável para lata de óleo
Categoria Relacionada
Enviar consulta
Por favor, sinta-se livre para dar o seu inquérito no formulário abaixo. Responderemos em 24 horas.
X
Utilizamos cookies para lhe oferecer uma melhor experiência de navegação, analisar o tráfego do site e personalizar o conteúdo. Ao utilizar este site, você concorda com o uso de cookies. política de Privacidade