Ilhós inoxidáveis

Ilhós inoxidáveis

Somos Nuote Metals de Dongguan China. Nossa fábrica fabrica ilhós de aço inoxidável de qualidade para diversos setores. Produzimos ilhós de aço inoxidável há muitos anos. Usamos um bom material de aço inoxidável. Este material torna nossos ilhós de aço inoxidável fortes e à prova de ferrugem. Fabricamos ilhós de inox em vários tamanhos. Alguns são pequenos para eletrônicos. Alguns são grandes para produtos ao ar livre. Cada ilhó inoxidável é verificado pelos nossos trabalhadores. Eles olham cada peça com atenção. Muitos clientes escolhem nossos ilhós de aço inoxidável porque funcionam bem e duram muito. Podemos fazer amostras rapidamente para novos projetos.

Enviar consulta

Descrição do produto

Introdução aos ilhós inoxidáveis

Ilhós de aço inoxidável são anéis de metal feitos de aço inoxidável. Eles são usados ​​para reforçar furos em materiais. Os ilhós de aço inoxidável protegem os orifícios contra danos. Eles mantêm sua forma mesmo quando puxados com força. Esses ilhós de aço inoxidável não enferrujam em condições úmidas. Eles permanecem brilhantes e fortes por anos. A colocação de ilhós de aço inoxidável requer uma máquina especial. A máquina pressiona o ilhó inoxidável no material. Uma vez instalado, ele permanece firmemente no lugar. Isso torna os produtos melhores e mais duráveis.



Parâmetro de ilhós inoxidáveis ​​(especificação)



Material aço inoxidável
Tratamento de superfície Limpo, zincado, niquelado, prateado, conforme solicitado
Certificado Compatível com Rohs
Diâmetro da haste 0,8-10 mm
Tolerância +/-0,05 mm
Aplicativo Adequado para uso em vários setores, incluindo automotivo, aeroespacial, elétrico e eletrônico, etc.
Controle de qualidade A inspeção 100% de toda a linha durante a produção garante que cada produto atenda ao padrão ISO, garantindo produtos de alta qualidade.


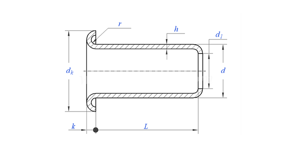
Desenho de ilhós de aço inoxidável conforme abaixo:

Mostra de aplicação:


Recurso e aplicação de ilhós inoxidáveis

Os ilhós de aço inoxidável têm muitos usos. Sapatos e botas precisam de ilhós de aço inoxidável para cadarços. Os equipamentos para atividades ao ar livre usam ilhós de aço inoxidável para cordas e cordões. Bolsas e bagagens precisam de ilhós de aço inoxidável para as alças. Tendas e lonas requerem ilhós de aço inoxidável para amarração. Os eletrônicos às vezes usam pequenos ilhós de aço inoxidável para os fios. Os equipamentos marítimos precisam de ilhós de aço inoxidável porque resistem à água salgada. Esses ilhós de aço inoxidável tornam os produtos confiáveis ​​e duradouros. Nossos clientes confiam em nossos ilhós de aço inoxidável para seus produtos importantes. Eles sabem que nossos ilhós de aço inoxidável funcionarão bem em qualquer condição.


Informações de embalagem

Detalhes de produção de ilhós inoxidáveis


PERGUNTAS FREQUENTES:

Q1: Qual é o seu MOQ para ilhós inoxidáveis?

MOQ para rebites é de 20.000 unidades.


Q2: Você pode fazer sob medida com nosso desenho?

Sim, a maioria dos nossos rebites tubulares são feitos sob medida com desenho do cliente.


Q3: Você poderia fornecer amostras grátis de rebites ocos?

Podemos fornecer amostras grátis para o tamanho que temos em estoque, mas os clientes pagarão as taxas expressas.


Q4: Qual é o seu prazo de entrega?

Tamanho dos rebites em estoque: 3-5 dias, rebites não padrão: 15-25 dias. Faremos a entrega o mais rápido possível com a garantia de qualidade.


Q5: A qualidade dos seus produtos?

A empresa possui equipamentos avançados de produção e teste. Todos os produtos serão 100% inspecionados por nosso departamento de controle de qualidade antes do envio.


Q6: Por que escolhemos a tecnologia Nuote?

1. Nós respeitamos os termos do cliente para proteger os projetos de privacidade do cliente.

2.Alta qualidade com preço atraente

3. Prazo de entrega rápido

4. Bom negócio e honestidade para com o cliente e parceiro

5. O anúncio de vendas profissional responde sua pergunta em 8 horas.

6. Os produtos e serviços da Nuote são vendidos para mais de 70 países com boa reputação


Hot Tags: Ilhós de aço inoxidável, fabricante de ilhós de aço inoxidável, ilhós de aço inoxidável da China
Categoria Relacionada
Enviar consulta
Por favor, sinta-se livre para dar o seu inquérito no formulário abaixo. Responderemos em 24 horas.
X
Utilizamos cookies para lhe oferecer uma melhor experiência de navegação, analisar o tráfego do site e personalizar o conteúdo. Ao utilizar este site, você concorda com o uso de cookies. política de Privacidade