Ilhós para barraca

Ilhós para barraca

Somos Nuote Metals de Dongguan China. Nossa fábrica fabrica ilhós de barraca fortes para uso externo. Fazemos ilhós para tendas há muitos anos. Nossos ilhós para barraca são feitos de bons materiais. Usamos aço inoxidável e latão que não enferrujam. Fabricamos ilhós para tendas em diversos tamanhos. Alguns são pequenos para tendas leves. Alguns são grandes para tendas pesadas. Cada ilhó da barraca é verificado pelos nossos trabalhadores. Eles garantem que cada ilhó da barraca seja perfeito. Muitas empresas de camping compram nossos ilhós para barracas. Eles gostam da nossa boa qualidade e preço justo.

Enviar consulta

Descrição do produto

Introdução aos ilhós da barraca

Os ilhós para barracas são anéis de metal para barracas. Eles são colocados em tecido de tenda. Cordas e postes passam por esses ilhós da barraca. Os ilhós da barraca tornam a barraca forte e estável. Eles impedem que o tecido da barraca se rasgue com o vento. Bons ilhós para barraca podem durar muitos anos. Mesmo com chuva e sol, eles não quebram. Colocar ilhós em barracas precisa de uma máquina especial. A máquina pressiona o ilhó da barraca no tecido. Então o ilhó da barraca fica lá firmemente.



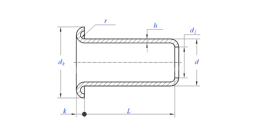
Parâmetro de ilhós de barraca (especificação)



Material Latão, aço, alumínio, aço inoxidável, cobre
Tratamento de superfície Limpo, zincado, niquelado, prateado, conforme solicitado
Certificado Compatível com Rohs
Diâmetro da haste 0,8-10 mm
Tolerância +/-0,05 mm
Aplicativo Adequado para uso em vários setores, incluindo automotivo, aeroespacial, elétrico e eletrônico, etc.
Controle de qualidade A inspeção 100% de toda a linha durante a produção garante que cada produto atenda ao padrão ISO, garantindo produtos de alta qualidade.


Desenho de ilhós de barraca conforme abaixo:

Mostra de aplicação:


Recurso e aplicação de ilhós para barraca

Os ilhós para barracas são usados ​​de várias maneiras. Todas as barracas de camping precisam de ilhós. Grandes barracas familiares usam muitos ilhós. As barracas de sombra ao ar livre também usam ilhós. Algumas bolsas possuem ilhós para amarrar. As lonas usam ilhós de barraca para amarrar. Até mesmo alguns equipamentos esportivos precisam de ilhós para barracas. Os ilhós da barraca ajudam a tornar os equipamentos para atividades ao ar livre seguros e duráveis. É por isso que os ilhós de tenda de qualidade são importantes para produtos ao ar livre. Nossos clientes confiam em nossos ilhós para barracas para suas necessidades de acampamento.


Detalhes de produção de ilhó de vestuário

Informações de embalagem

PERGUNTAS FREQUENTES:

Q1: Qual é o seu MOQ para ilhós de barraca?

MOQ para rebites é de 20.000 unidades.


Q2: Você pode fazer sob medida com nosso desenho?

Sim, a maioria dos nossos rebites tubulares são feitos sob medida com desenho do cliente.


Q3: Você poderia fornecer amostras grátis de rebites ocos?

Podemos fornecer amostras grátis para o tamanho que temos em estoque, mas os clientes pagarão as taxas expressas.


Q4: Qual é o seu prazo de entrega?

Tamanho dos rebites em estoque: 3-5 dias, rebites não padrão: 15-25 dias. Faremos a entrega o mais rápido possível com a garantia de qualidade.


Q5: A qualidade dos seus produtos?

A empresa possui equipamentos avançados de produção e teste. Todos os produtos serão 100% inspecionados por nosso departamento de controle de qualidade antes do envio.


Q6: Por que escolhemos a tecnologia Nuote?

1. Nós respeitamos os termos do cliente para proteger os projetos de privacidade do cliente.

2.Alta qualidade com preço atraente

3. Prazo de entrega rápido

4. Bom negócio e honestidade para com o cliente e parceiro

5. O anúncio de vendas profissional responde sua pergunta em 8 horas.

6. Os produtos e serviços da Nuote são vendidos para mais de 70 países com boa reputação


Hot Tags: Ilhós para barraca, fabricante de ilhós para barraca, ilhós para barraca na China
Categoria Relacionada
Enviar consulta
Por favor, sinta-se livre para dar o seu inquérito no formulário abaixo. Responderemos em 24 horas.
X
Utilizamos cookies para lhe oferecer uma melhor experiência de navegação, analisar o tráfego do site e personalizar o conteúdo. Ao utilizar este site, você concorda com o uso de cookies. política de Privacidade